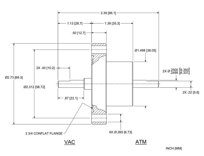
The USS-250-SLCB vacuum rotary feedthrough features a Solid shaft with ConFlat Flange mounting. Dimensional details are specified below. For precision measurement specifications, refer to the Spec Control Drawing.
Ferrotec Part Number 134292 Dimension Specification Drawing
Specifications for Ferrotec Part Number 134292
| Shaft | Solid Shaft |
| Shaft Support: |
Simply Supported (vac+atm sides) |
| Ferrofluid | Standard |
| Mounting | ConFlat Flange |
|
Dimensions: |
|
| Shaft (or bore) Diameter with tolerance | 0.24975 in |
| Shaft termination | .030d x .40L (flat) in |
| Shaft extension (Vac) | 1.13 in |
| Overall length | 3.39 in |
| Housing overall length | 1.39 in |
| Housing diameter | 1.4985 in |
| Body length | 0.89 in |
| Flange diameter | 2.73 in |
| Flange thickness | 0.5 in |
| Flange Type | ConFlat Flange |

