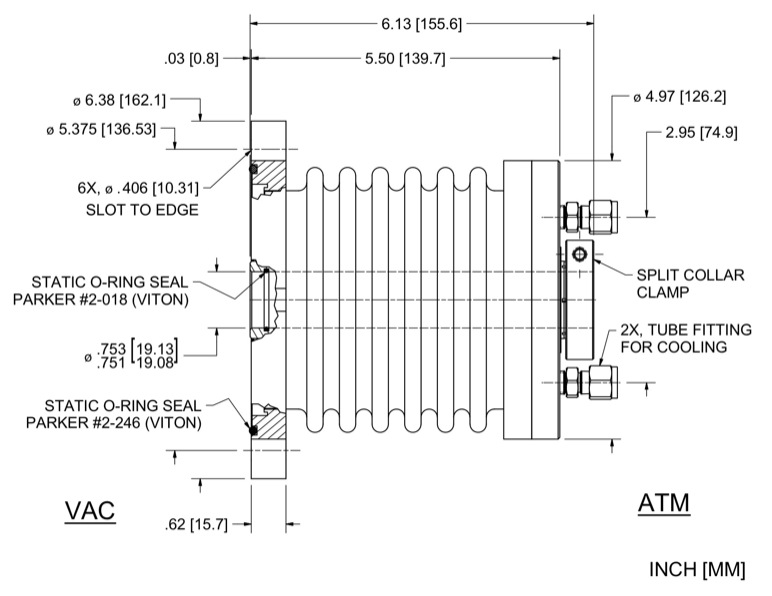
The CM-750-CLFSWC vacuum rotary feedthrough features a Hollow shaft with Compliant Mount mounting. Dimensional details are specified below. This vacuum seal is also water-cooled for high-temperature applications. For precision measurement specifications, refer to the Spec Control Drawing.
Ferrotec Part Number 132121 Dimension Specification Drawing
Specifications for Ferrotec Part Number 132121
| Shaft | Hollow Shaft |
| Shaft Support: |
Cantilevered (both on atm side) |
| Ferrofluid | Standard |
| Mounting | Compliant Mount |
| Features: |
Water-cooled Shaft Clamp |
|
Dimensions: |
|
| Shaft (or bore) Diameter with tolerance | 0.752 in |
| Shaft extension (Vac) | 0.03 in |
| Overall length | 6.13 in |
| Housing overall length | 5.5 in |
| Housing diameter | 4.97 in |
| Body length | 4.88 in |
| Clamp diameter | 1.88 in |
| Clamp thickness | 0.5 in |
| Recommended shaft diameter | 0.75 |
| Flange diameter | 6.38 in |
| Flange thickness | 0.62 in |
| Mounting holes | .406, 6x on a 5.375 bc in |
| Flange Type | Compliant |
| Face seal O-ring | 2-246 |

