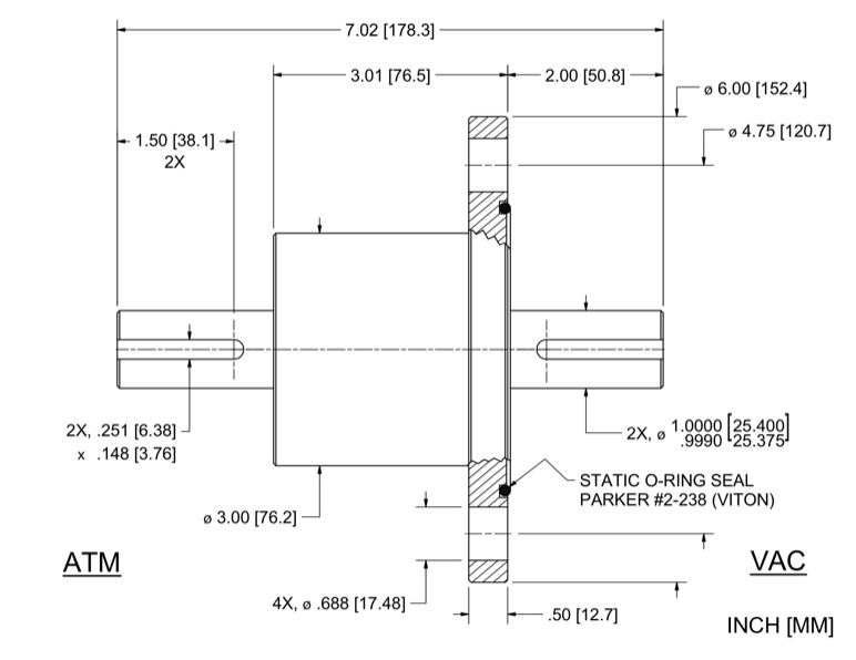
The SS-1000-SLFA vacuum rotary feedthrough features a Solid shaft with Ferro Flange mounting. Dimensional details are specified below. For precision measurement specifications, refer to the Spec Control Drawing.
Ferrotec Part Number 121152 Dimension Specification Drawing
Specifications for Ferrotec Part Number 121152
| Shaft | Solid Shaft |
| Shaft Support: |
Simply Supported (vac+atm sides) |
| Ferrofluid | Standard |
| Mounting | Ferro Flange |
|
Dimensions: |
|
| Shaft (or bore) Diameter with tolerance | 0.9995 (+.0005/-.0005) in |
| Shaft termination | .251w x .148d x 1.5L keyway in |
| Shaft extension (Vac) | 2 in |
| Overall length | 7.02 in |
| Housing overall length | 3.01 in |
| Housing diameter | 3 (+.010/-.010) in |
| Body length | 2.51 in |
| Flange diameter | 6 in |
| Flange thickness | 0.53 in |
| Mounting holes | .688, 4 x on 4.75 in |
| Flange Type | ASA vacuum flange |
| Face seal O-ring | 2-238 |

