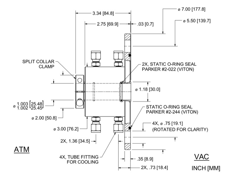
The HS-1000-SLFBCW vacuum rotary feedthrough features a Hollow shaft with Ferro Flange mounting. Dimensional details are specified below. This vacuum seal is also water-cooled for high-temperature applications. For precision measurement specifications, refer to the Spec Control Drawing.
Ferrotec Part Number 105396 Dimension Specification Drawing
Specifications for Ferrotec Part Number 105396
| Shaft | Hollow Shaft |
| Shaft Support: |
Simply Supported (vac+atm sides) |
| Ferrofluid | Standard |
| Mounting | Ferro Flange |
| Features: |
Water-cooled Shaft Clamp |
|
Dimensions: |
|
| Shaft (or bore) Diameter with tolerance | 1.0025 in |
| Shaft extension (Vac) | 0.026 in |
| Overall length | 3.34 in |
| Housing overall length | 2.75 in |
| Housing diameter | 3 in |
| Body length | 2.4 in |
| Clamp diameter | 2 in |
| Clamp thickness | 0.5 in |
| Recommended shaft diameter | 1 |
| Flange diameter | 7 in |
| Flange thickness | 0.35 in |
| Fitting locations | .73, 1.36 in |
| Mounting holes | 0.750, 4x on 5.500 bc in |
| Face seal O-ring | 2-244 |

