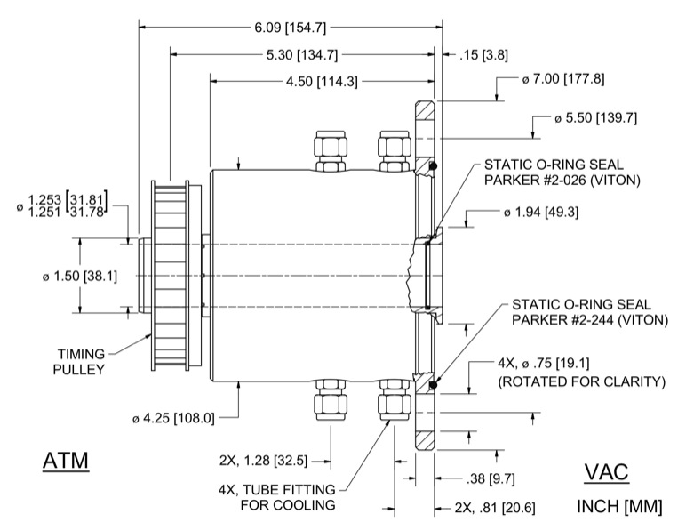
The HS-1250-CFFBWPS vacuum rotary feedthrough features a Hollow shaft with Ferro Flange mounting. Dimensional details are specified below. This vacuum seal is also water-cooled for high-temperature applications. For precision measurement specifications, refer to the Spec Control Drawing.
Ferrotec Part Number 107427 Dimension Specification Drawing
Specifications for Ferrotec Part Number 107427
| Shaft | Hollow Shaft |
| Shaft Support: |
Cantilevered (both on atm side) |
| Ferrofluid | Reactive Gas |
| Mounting | Ferro Flange |
| Features: |
Sleeve Water-cooled Electrical Isolation (Sleeved Bore)" |
|
Dimensions: |
|
| Shaft (or bore) Diameter with tolerance | 1.252 in |
| Shaft extension (Vac) | 0.15 in |
| Overall length | 6.09 in |
| Housing overall length | 4.5 in |
| Housing diameter | 4.25 in |
| Body length | 4.12 in |
| Recommended shaft diameter | 1.25 |
| Flange diameter | 7 in |
| Flange thickness | 0.38 in |
| Fitting locations | .816, 1.280 in |
| Mounting holes | .750, 4x on 5.500 b.c. in |
| Face seal O-ring | 2-244 |

