
- Single Axle Feedthrough
- Multi-Axle Feedthrough
- Hollow Axle Feedthrough
- Water Cooling Feedthrough
- Special Feedthrough
Latest news
- Vacuum Rotary Feedthrough for Adiabati
- FD-HS-0500-C hollow shaft cartridge mo
- Ferrotec Ferrofluidic Model SSL-010-NN
- Ferrotec Ferrofluidic SFL-010-WN Part
- Ferrotec Model HFL-010-WN Part Number
- Ferrofluidic Model HTL-010-CN Part Num
Contact us
- ADD: No.1,3 Luositang Road,Changsha, China(Hunan) Pilot Free Trade Zone
- TEL: +86 13974953910
- FAX: +86 731 84477600
- E-mail: Mailto:sales@ferrofluidtec.com
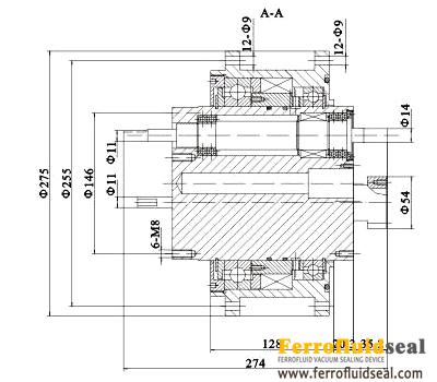
3 Non Coaxial Shafts Feedthrough Vacuum Seal
- Vacuum Degree :10 e-6 Pa
- Leakage Rate :10 e-12 Pa·m3·s-1
- 3 non coaxial shafts,double flange
- without water cooling
- Product description: 3 Non-coaxial Shafts Ferrofluid Feedthrough Vacuum Sealing,3 axles magnetic fluid vacuum seal feedthrough
Product introduction
3 Non-coaxiale shafts Dual(Double) Flange Ferrofluid Vacuum Sealing Feedthrough
|
Main Specifications: |
|
|
Vacuum Degree : |
10-6 Pa |
|
Leakage Rate : |
10-12 Pa·m3·s-1 |
|
Pressure Resistance : |
0.5 MPa (5bar),3Mpa max |
|
Temperature Range : |
0-80℃ |
|
Sealing Material : |
Non-active Gas |
|
Shell Material : |
Non-Magnetic Permeability Stainless Steel |
|
Axle(Bush) Material : |
Magnetic Permeability Stainless Steel |
|
Shell Material |
Stainless steel or Aluminum |
|
Water Cooling : |
Without |
Axle(Shaft) diameter size can be customized made from 10mm to 100mm
We will design the feedthrough as per your mounting sizes and performance requirements.
A sample drawing for your reference below:



