Ferrotec part number 103360 Ferrofluidic seal Feedthrough Model HS-1500-SLFBC
The HS-1500-SLFBC vacuum rotary feedthrough features a Hollow shaft with Ferro Flange mounting. Dimensional details are specified below. For precision measurement specifications, refer to the Spec Control Drawing.
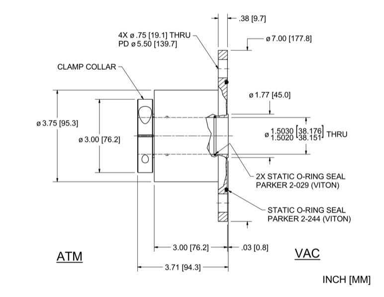
Ferrotec Part Number 103360 Dimension Specification Drawing
Specifications for Ferrotec Part Number 103360
| Shaft | Hollow Shaft |
| Shaft Support: |
Simply Supported (vac+atm sides) |
| Ferrofluid | Standard |
| Mounting | Ferro Flange |
| Features: |
Shaft Clamp |
|
Dimensions: |
|
| Shaft (or bore) Diameter with tolerance | 1.5025 in |
| Shaft extension (Vac) | 0.03 in |
| Overall length | 3.714 in |
| Housing overall length | 3 in |
| Housing diameter | 3.75 in |
| Body length | 2.62 in |
| Clamp diameter | 3 in |
| Clamp thickness | 0.625 in |
| Recommended shaft diameter | 1.5 |
| Flange diameter | 7 in |
| Flange thickness | 0.38 in |
| Mounting holes | .75, 4x on 5.50 bc in |
| Face seal O-ring | 2-244 |

