Ferrotec Ferrofluidic seal Feedthrough Model HFL-010-NN part number 133605
The HFL-010-NN vacuum rotary feedthrough features a Hollow shaft with Ferro Flange mounting. Dimensional details are specified below. For precision measurement specifications, refer to the Spec Control Drawing.
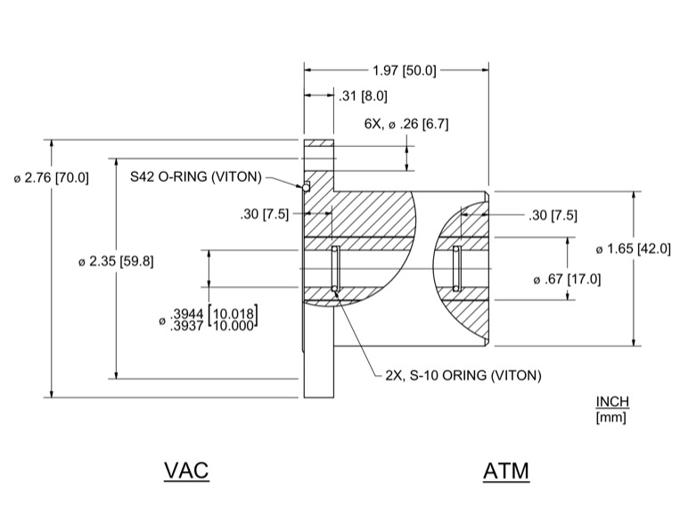
Ferrotec Part Number 133605 Dimension Specification Drawing
Specifications for Ferrotec Part Number 133605
| Shaft | Hollow Shaft |
| Shaft Support: |
Simply Supported (vac+atm sides) |
| Ferrofluid | Standard |
| Mounting | Ferro Flange |
|
Dimensions: |
|
| Shaft (or bore) Diameter with tolerance | 10 (+.018/-0) mm |
| Overall length | 50 mm |
| Housing overall length | 42 mm |
| Housing diameter | 42 mm |
| Body length | 42 mm |
| Recommended shaft diameter | 9.98 |
| Flange diameter | 70 mm |
| Flange thickness | 8 mm |
| Mounting holes | 6.7, 6x on 59.80 bc mm |
| Flange Type | Flange |

