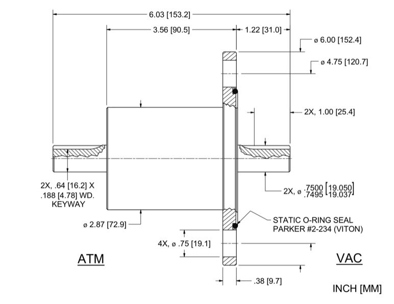
The SS-750-SLFA vacuum rotary feedthrough features a Solid shaft with Ferro Flange mounting. Dimensional details are specified below. For precision measurement specifications, refer to the Spec Control Drawing.
Ferrotec Part Number 103246 Dimension Specification Drawing
Specifications for Ferrotec Part Number 103246
| Shaft | Solid Shaft |
| Shaft Support: |
Simply Supported (vac+atm sides) |
| Ferrofluid | Standard |
| Mounting | Ferro Flange |
|
Dimensions: |
|
| Shaft (or bore) Diameter with tolerance | 0.75 in |
| Shaft termination | 188w x .114d x 1.0L.(keyway) in |
| Shaft extension (Vac) | 1.218 in |
| Overall length | 6.03 in |
| Housing overall length | 3.562 in |
| Housing diameter | 2.875 in |
| Body length | 3.182 in |
| Flange diameter | 6 in |
| Flange thickness | 0.38 in |
| Mounting holes | 0.750, 4x on 4.750 bc. in |
| Face seal O-ring | 2-234 |

