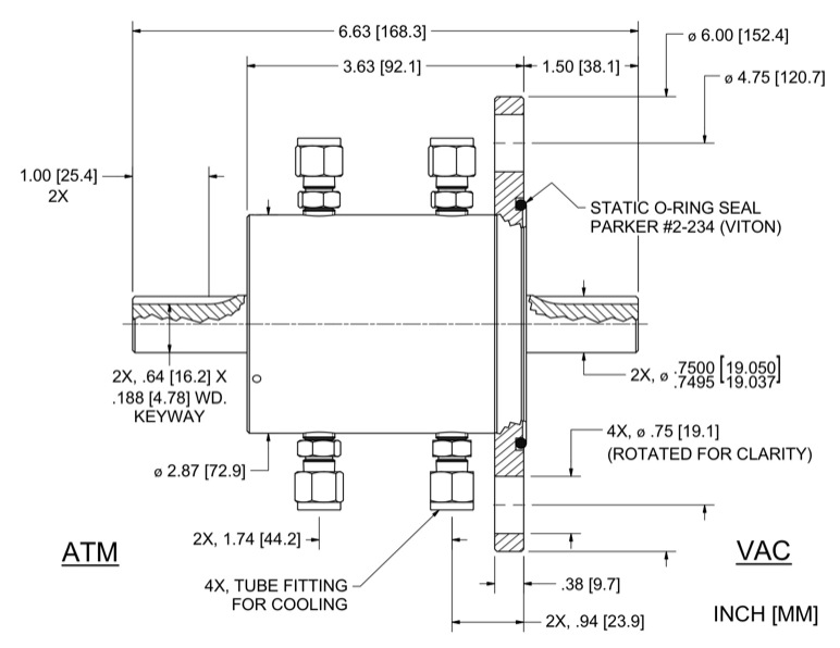
The SS-750-SLFAW vacuum rotary feedthrough features a Solid shaft with Ferro Flange mounting. Dimensional details are specified below. This vacuum seal is also water-cooled for high-temperature applications. For precision measurement specifications, refer to the Spec Control Drawing.
Ferrotec Part Number 121101 Dimension Specification Drawing
Specifications for Ferrotec Part Number 121101
| Shaft | Solid Shaft |
| Shaft Support: |
Simply Supported (vac+atm sides) |
| Ferrofluid | Standard |
| Mounting | Ferro Flange |
| Features: |
Water-cooled |
|
Dimensions: |
|
| Shaft (or bore) Diameter with tolerance | 0.7497 in |
| Shaft termination | .114d x 1.0L(flat both sides) in |
| Shaft extension (Vac) | 1.5 in |
| Overall length | 6.63 in |
| Housing overall length | 3.63 in |
| Housing diameter | 2.87 in |
| Body length | 3.25 in |
| Flange diameter | 5.97 in |
| Flange thickness | 0.38 in |
| Fitting locations | .940, 1.741 in |
| Mounting holes | .750, 4x on a 4.750 in |
| Flange Type | Ferro flange |
| Face seal O-ring | 2-234 |

